


Kompact電磁隔膜計量泵
品名:電磁計量泵 型號:AMS200
規格參數:
流量:3-9 L/H
壓力:2-10 bar
沖程流量:0.31-0.93 毫升/沖程
連接管尺寸(MM):4/6(內徑/外徑)
大頻率:160 沖程/分鐘
毛重:2.4 kg
紙箱尺寸:285×185×180(長×寬×高)【毫米】
電源:240伏,50赫茲,功率:12瓦
泵殼材質:PP
泵頭材質:PVDF
閥球材質:陶瓷
隔膜:PTFE(隔膜的使用壽命可達5年)
防護等級:IP65
賽高計量泵SEKO-AMS200電磁隔膜計量泵
Kompact 系列 電磁隔膜計量泵 Kompact 系列是一款基于微處理 器控制的電磁隔膜計量泵,具有操 作簡單、運行穩定的特點。 防護等級為IP65,在惡劣工況下亦 可安全運行。 |
|
投藥模式 手動排氣閥可以輔助啟動泵。 流量可手動或自動(信號輸入控制)調節,還帶有液位探頭接口。 | 安裝方式 壁掛/立式(隨泵帶有安裝支架) |
性能可靠 ? 創新的設計理念和優良的制造工藝,造就了隔膜的超長使用壽命 ? 隔膜由純固體PTFE材料制成,可與大多數化學品兼容 ? 隔膜的使用壽命超過5年 ? 不再需要定期更換隔膜 | 觸液端材質 泵頭 PVDF 閥球 陶瓷 密封 FPM/EPDM 隔膜 PTFE 觸液端部件材質可與通用的大多數化學品兼容。 |
模擬式 | |
| AMS 手動調節 通過控制面板上的調節旋鈕可以對流量進行手動調節,帶有電源顯示。
|
| AML 手動調節,帶液位探頭接口 通過控制面板上的調節旋鈕可以對流量進行手動調節,提供兩個頻率選擇:0-20% 或0-100%,帶有電源顯示,還帶有液位探頭接口。 |
| AMC 比例調節(數字脈沖信號控制) 比例調節(數字脈沖信號輸入控制),帶有電源顯示,還帶有液位探頭接口。可選以下兩種不同的投藥模式: ■ 恒定流量模式(將模式開關調至C位置) 泵根據手動選擇的頻率百分比來投藥 ■ 流量比例調節模式1:1(將模式開關調至P位置) 泵根據接收到的輸入信號(數字脈沖信號)按比例投藥 |
| AMM 比例調節(4-20毫安電流信號控制) 比例調節(4-20毫安電流信號輸入控制),帶有電源顯示,還帶有液位探頭接口。 ■ 恒定流量模式(將模式開關調至C位置) 泵根據手動選擇的頻率百分比來投藥 ■ 流量比例調節模式(將模式開關調至P位置) 泵根據接收到的輸入信號(4-20毫安 電流信號)按比例投藥 |
賽高計量泵SEKO-AMS200電磁隔膜計量泵安裝方式 該泵配套提供的配件為:底閥過濾器,螺釘,固定支架,注射閥,2米長的PE管(排液管),4米 PVC管(吸液管)。請使用正確的安裝方式。
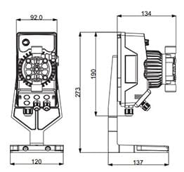
賽高計量泵SEKO-AMS200電磁隔膜計量泵安裝尺寸圖
| 技術參數 大壓力:10BAR 大流量:9升/小時 電 源:AMS: 240Vac,50Hz AML/AMC/AMM: 100-240Vac,50/60Hz 大頻率:160沖程/分鐘 外 殼:增強PP,防護等級為IP65 安裝配件:含 |
